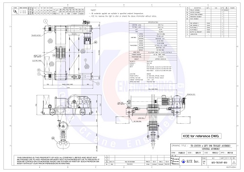
- Loại thiết bị : XE CON DẦM ĐÔI 250T
- Mã hiệu : KCE TR250-H30
- Số lượng : 01 BỘ
- Chế độ làm việc : FEM 2Am
- Tải trọng nâng : 250T
- Tải trọng kiểm tra : 187.5
- Chiều cao nâng móc : 30 mét
– Xe con 250 tấn :
Kí hiệu xe chạy : KCE TR250-H30
Chế độ làm việc : 2 AM M5
Tải trọng nâng : 250 tấn
Tải trọng kiểm tra : 312,5tấn
Chiều cao nâng móc : Hn(max) = 30mét
Số nhánh cáp cho một móc : 6xFI(29) 32x16 FALLS
Tốc độ nâng hạ tải trọng : 0,5 / 1,5 m/ph
Công suất động cơ nâng hạ : 75 Kw*6P
Phanh nâng hạ : Phanh thủy lực kiểu phanh tang trống
Hộp số cơ cấu nâng : KCE Hàn Quốc
Tốc độ di chuyển xe chạy : 5/ 20m/ph (Điều khiển bằng biến tần)
Công suất động di chuyển xe chạy : 2 cái x 5,5 Kw*4P
- dầm cổng trục
– Tốc độ di chuyển cổng trục : 30/10 m/ph (Điều khiển bằng biến tần)
– Động cơ di chuyển cổng trục : Nhập khẩu của hãng KCE
– Công suất động cơ di chuyển cổng trục : 6 cái x5.5 kW
– Kiểu phanh : Phanh đĩa điện từ
– Độ cứng bề mặt bánh xe : Nhiệt luyện đạt độ cứng 42-45 HRC
– Biến tần điều khiển di chuyển cổng trục
Công suất : 30kW
Hãng sản xuất : KCE KOREA
- Nguồn điện cung cấp cổng trục 250tấn: Xoay chiều 380V, 3Pha, 50Hz
- Nguồn điện điều khiển cổng trục 250tấn : 48 /110V
- Áp lực lớn nhất lên 1 bánh xe cầutrục : ~25 tấn
- Điều khiển cầu trục : Bằng tay gạt Joistick trong ca bin gắn cố định 1 bên chân cổng trục.
15.Vị trí lắp đặt cổng trục : Ngoài trời.
- Nhiệt độ môi trường làm việc : Max +450 C
- Độ ẩm môi trường làm việc : 95%
- Hệ thống cấp điện cho xe chạy dọc dầm chính : Tang quấn cáp Kiểu cáp xích công nghiệp, chạy bằng động cơ
- Tổng công suất tiêu thụ điện : 125Kw
Bản vẽ cho xe con 250 TẤN


